English
Español
Português
русский
Français
日本語
Deutsch
tiếng Việt
Italiano
Nederlands
ภาษาไทย
Polski
한국어
Svenska
magyar
Malay
বাংলা ভাষার
Dansk
Suomi
हिन्दी
Pilipino
Türkçe
Gaeilge
العربية
Indonesia
Norsk
تمل
český
ελληνικά
український
Javanese
فارسی
தமிழ்
తెలుగు
नेपाली
Burmese
български
ລາວ
Latine
Қазақша
Euskal
Azərbaycan
Slovenský jazyk
Македонски
Lietuvos
Eesti Keel
Română
Slovenski
मराठी
Srpski језик
Vlastnosti produktu
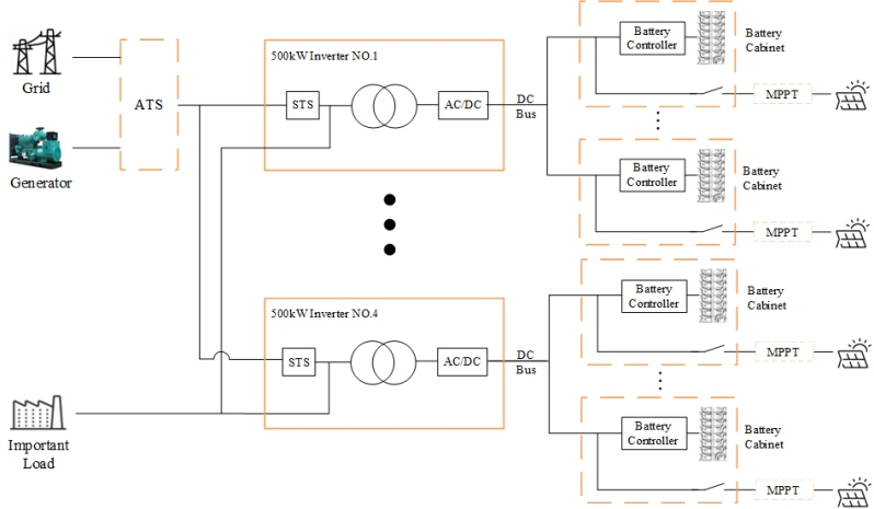
1. Při zátěži nad 500 kW se doporučuje použít velkokapacitní 500 kW jednojednotkový akumulační střídač, který je schopen podporovat až čtyři sady paralelních připojení a dosáhnout tak celkového výkonu 2 MW;
2. Při paralelním provozu více 500 kW systémů a distribuci STS mezi různé 500 kW měniče je důležité zajistit, aby délka kabelu od bodu připojení k síti k bodu připojení zátěže byla konzistentní;
3. Hybridní ESS využívá stejnosměrně vázanou fotovoltaickou integraci, dosahuje vysoké účinnosti přeměny energie a je optimalizován pro scénáře mimo síť s kapacitou výroby FV přesahující poptávku po zatížení; MPPT s venkovním hodnocením
řídicí jednotky integrují funkce slučovače a MPPT do jediného tvrzeného krytu. Kompletní systém zahrnuje volitelný dieselový generátor ATS, 300kW hybridní invertor, PV MPPT regulátor a baterii
systém skladování energie.


Specifikace
| Modelky | P500TS-400-A | |
|
Parametry DC-Side |
Rozsah napětí | 500-950V |
| Maximální proud | 1128A | |
| Jmenovitý výstupní výkon | 500 kW | |
|
Parametry AC strany (připojeno k síti) |
Maximální výstupní výkon | 550 kW |
| Jmenovitý výstupní proud | 722A | |
| THDI | <3 % | |
| Typ mřížky | 3W+N+PE | |
| Rozsah napětí | 360VAC~440VAC | |
| Frekvenční rozsah | 45~55Hz/55~65Hz | |
| Účiník | -1~1 | |
| Jmenovitý výstupní výkon | 500 kW | |
|
Parametry AC strany (Off-Grid) |
Jmenovité výstupní napětí | 400V |
| Jmenovitá výstupní frekvence | 50/60 Hz | |
| THDu | <1%lineární zatížení,<5%nelineární zatížení | |
| Přetížitelnost | 110 % 10 minut | |
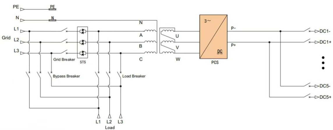
| Spínač údržbového bypassu | 1250A | |
|
Spínač Off-Grid a konfigurace přepínače |
DC vypínač | 1250A |
| Spínač zátěže | 1250A | |
| Síťový spínač | 1250A | |
| jednotka STS | 1155A/800kW | |
| Spínací čas | <20 ms | |
|
Parametry systémů |
Špičková účinnost | 97,5 % |
| Provozní teplota | -30~55℃ (snížení nad 40℃) | |
| Relativní vlhkost | 0 až 95 % RH, nekondenzující | |
| Rozměry (D*H*V) | 1600×1050×2050 mm | |
| Hmotnost | 2700 kg | |
| IPgrade | IP21 IP21 (kompletní stroj) | |
| Hluk | <70 dB | |
| Displej | LCD | |
| BMS komunikace | CAN | |
| EMS komunikace | TCP/IP | |