English
Español
Português
русский
Français
日本語
Deutsch
tiếng Việt
Italiano
Nederlands
ภาษาไทย
Polski
한국어
Svenska
magyar
Malay
বাংলা ভাষার
Dansk
Suomi
हिन्दी
Pilipino
Türkçe
Gaeilge
العربية
Indonesia
Norsk
تمل
český
ελληνικά
український
Javanese
فارسی
தமிழ்
తెలుగు
नेपाली
Burmese
български
ລາວ
Latine
Қазақша
Euskal
Azərbaycan
Slovenský jazyk
Македонски
Lietuvos
Eesti Keel
Română
Slovenski
मराठी
Srpski језик |
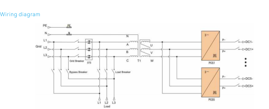
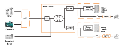
Funkce Systém využívá modulární invertorové jednotky v paralelní konfiguraci, kde DC vstup každého invertorového modulu odpovídá vyhrazené bateriové skříni, umožňující správu jednotlivých klastrů k eliminaci cirkulujících proudů mezi nimi bateriové řetězce. Napájecí moduly AC/DC podporují flexibilní nasazení jak v množství, tak v jmenovitý výkon, s maximální kapacitou 60kW modulů paralelně s 5 jednotkami konfigurace. Střídavý výstup z výkonových modulů je dodáván přes transformátor izolovaný koncový stupeň, dodávající energii do zátěže se silným odporem aktuální šok. Hybridní ESS využívá stejnosměrně vázanou fotovoltaickou integraci a dosahuje vysoké úrovně účinnost přeměny energie a optimalizované pro scénáře mimo síť s FV výrobní kapacita převyšující poptávku po zatížení; Ovladače MPPT určené pro venkovní použití integrujte funkce slučovače a MPPT do jediného tvrzeného krytu. Kompletní systém zahrnuje volitelný dieselový generátor ATS, 300kW hybrid střídač, PV MPPT regulátor a systém ukládání energie z baterií.
Funkce Systém využívá modulární invertorové jednotky v paralelní konfiguraci, kde DC vstup každého invertorového modulu odpovídá vyhrazené bateriové skříni, umožňující správu jednotlivých klastrů k eliminaci cirkulujících proudů mezi nimi bateriové řetězce. Napájecí moduly AC/DC podporují flexibilní nasazení jak v množství, tak v jmenovitý výkon, s maximální kapacitou 60kW modulů paralelně s 5 jednotkami konfigurace. Střídavý výstup z výkonových modulů je dodáván přes transformátor izolovaný koncový stupeň, dodávající energii do zátěže se silným odporem aktuální šok. Hybridní ESS využívá stejnosměrně vázanou fotovoltaickou integraci a dosahuje vysoké úrovně účinnost přeměny energie a optimalizované pro scénáře mimo síť s FV výrobní kapacita převyšující poptávku po zatížení; Ovladače MPPT určené pro venkovní použití integrujte funkce slučovače a MPPT do jediného tvrzeného krytu. Kompletní systém zahrnuje volitelný dieselový generátor ATS, 300kW hybrid střídač, PV MPPT regulátor a systém ukládání energie z baterií.
Specifikace |
|||||
| Modelky | P200TS-400-A | P250TS-400-A | P300TS-400-A | ||
|
Parametry DC-Side |
Rozsah napětí | 650-950Vdc | |||
| Přepínač vstupu na modul | 250A | ||||
| Počet DC kanálů | 3 způsobem | 4 způsob | 5 způsobem | ||
|
Parametry AC strany (připojeno k síti) |
Jmenovitý výstupní výkon | 200 kW | 250 kW | 300 kW | |
| Maximální výstupní výkon | 220 kW | 275 kW | 330 kW | ||
| Jmenovitý výstupní proud | 289A | 361A | 433A | ||
| THDI | <3 % | ||||
| Typ mřížky | 3W+N+PE | ||||
| Rozsah napětí | 360Vac~440Vac | ||||
| Frekvenční rozsah | 45~55Hz/55~65Hz | ||||
| Účiník | -1~1 | ||||
|
Islanded Parametry AC strany |
Jmenovitý výstupní výkon | 200 kW | 250 kW 300 kW | ||
| Jmenovité výstupní napětí | 400 Vac | ||||
| Jmenovitá výstupní frekvence | 50/60 Hz | ||||
| THDu | <1 % lineární, <5 % nelineární <1 % lineární, <5 % nelineární | ||||
| Přetížitelnost | 110% přetížení po dobu 10 minut 110% po dobu 10 minut | ||||
|
Grid-Ilanding Převodovka a spínací zařízení |
Spínač údržbového bypassu | 400A | 630A | ||
| Síťové spínače | 630A | 800A | |||
| Spínače zátěže | 400A | 630A | |||
| jednotka STS | 577A/400kW | 722A/500kW | |||
| Spínací čas | <20 ms | ||||
|
Parametry systémů |
Špičková účinnost | 97,5 % | |||
| Provozní teplota | -30~55℃-30~55℃ (Snížení nad 40℃) | ||||
| Relativní vlhkost | 0~95%RH,0~95%RH,Nekondenzující | ||||
| Rozměry (D*H*V) | 1300×1050×2050 mm | ||||
| Hmotnost | 1400 kg | 1700 kg 1800 kg | |||
| IPgrade | IP21 IP21 (kompletní sada) | ||||
| Hluk | <70 dB | ||||
| Displej | LCD dotyková obrazovka | ||||
| BMS komunikace | CAN | ||||
| EMS komunikace | TCP/IP | ||||