English
Español
Português
русский
Français
日本語
Deutsch
tiếng Việt
Italiano
Nederlands
ภาษาไทย
Polski
한국어
Svenska
magyar
Malay
বাংলা ভাষার
Dansk
Suomi
हिन्दी
Pilipino
Türkçe
Gaeilge
العربية
Indonesia
Norsk
تمل
český
ελληνικά
український
Javanese
فارسی
தமிழ்
తెలుగు
नेपाली
Burmese
български
ລາວ
Latine
Қазақша
Euskal
Azərbaycan
Slovenský jazyk
Македонски
Lietuvos
Eesti Keel
Română
Slovenski
मराठी
Srpski језик
Vlastnosti produktues
1, DC generace a DC skladování, větší účinnost a nižší ztráty, což je vhodné pro fotovoltaiku a skladování energie je větší
než scénáře zátěžového napájení mimo síť;
2, krytí IP65, vyhovující venkovnímu použití. Blízký MPPT zesiluje výstup konvergence, což pomáhá zabránit kabeláži
zmatek způsobený více fotovoltaickými (PV) kabely přenášenými na velké vzdálenosti do systému vše v jednom.
3, 200-900V široký rozsah napětí fotovoltaického vstupu, který podporuje průmyslový přístup k vysokoproudému fotovoltaickému modulu.
4、Vícekanálový MPPT, který splňuje víceúhlý PV panel
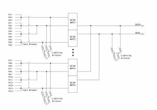
Schéma zapojení

Specifikace
| Modelky | MPPT-8 | MPPT-6 | MPPT-12 | |
| PV-Side Interface Parametry |
Maximální napětí FV pole | 900V | ||
| Rozsah napětí MPPT | 200V-900V | |||
| Jmenovitý rozsah napětí MPPT | 560V-900V | |||
| Maximální proud větve | 24A | 20A | ||
| Číslo vstupních řetězců PV | 8 | 6 | 12 | |
| Počet MPPT | 8 | 2 | 4 | |
| Proud na MPPT | 20A | 55A | ||
| Výstupní parametry | Rozsah napětí | 600-950V | ||
| Jmenovité napětí | Výchozí 716,8 V, nastavitelné | |||
| Jmenovitý výstupní proud | 118A | 84A | 168A | |
| Jmenovitý výstupní výkon | 84 kW | 60 kW | 120 kW | |
| Maximální výstupní proud | 192A | 120A | 240A | |
| Systémové parametry | EUe city | 99,4 % | ||
| stupeň IP | IP65 | |||
| Koncept chlazení | Přirozená konvekce | Nucené chlazení vzduchem | ||
| Rozměry (Š*H*V) | Rozměr 550 x 530 x 280 mm | Rozměr 630×460×260 mm | Rozměr 630×460×260 mm | |
| Hmotnost | 42 kg | 25 kg | 30 kg | |
| Provozní teplota | -30-55 ℃ | |||
| Režimy napájení | Vlastní napájení (bez nočního výpadku proudu) | |||
| Komunikační rozhraní | RS485 | |||
